忍者ブログ

マイコン詭録記 電子工作の記録

RSS TWITTER Rss Twitter

[PR]

×

[PR]上記の広告は3ヶ月以上新規記事投稿のないブログに表示されています。新しい記事を書く事で広告が消えます。

AoE2の軍事施設の3Dプリント


名作RTSゲーム、Age of Empires IIに登場する建物をミニチュアサイズで再現しました。
上段が左から2cm角の「城」「町の中心」、下段が1.5cm角の「射手育成所」「戦士育成所」「騎兵育成所」となります。文明は暗黒TCRでおなじみのペルシャを始めとした中東系です。


もとのゲームデータにはレンダリングされた2Dスプライトしかなさそうだったため3Dモデルは自作しました。町の中心の詳細度が低いのは当初フルカラー石膏で窓等を再現しようと思ったためです。


プリントは海外の3DプリントサービスであるShapewaysに発注しました。素材は精度が±0.1-0.2mmのFrosted Detail Plastic (建物1つあたり500円強程度)なので、直径1.5mmの射手育成所のマトもこの精度で再現できました。


透明なので裏からLEDを当てれば光ります。


おまけの「帝王の時代」ストラップ@Steel(Matte Gold)。

拍手[2回]

PR

AVRで簡易リモコン



ここしばらくベタな電子工作を全くしていなかったのと,朝おふとんから抜け出さずにエアコンを付けたかったので作ったリモコンです.
富士通「ASE223K」で動作を確認しています.

マイコンはATtiny13Aを使用しており,電源投入時に「エアコンON」,その1秒後に「エアコンOFF」を送信します(スイッチちょっと押しでON,長押しでOFF).
スイッチは電源スイッチになっているので非使用時は消費電流ゼロです.


信号の解析はこちらを参考にさせていただきました.
信号はAEHAフォーマットでした.
ちなみに以下のソースではON信号に「暖房,30度,強風」が入っているので(ONのみの信号が分からなかった),夏に使うと死にます.


電源は単4*3本で,電池ボックスが秋月のD基板とぴったりでした.
部品は秋月で揃うものばかりなので結構簡単に作れると思います.


ソース: remote.c
クロックは内蔵9.6MHz(分周なし)です.

拍手[1回]

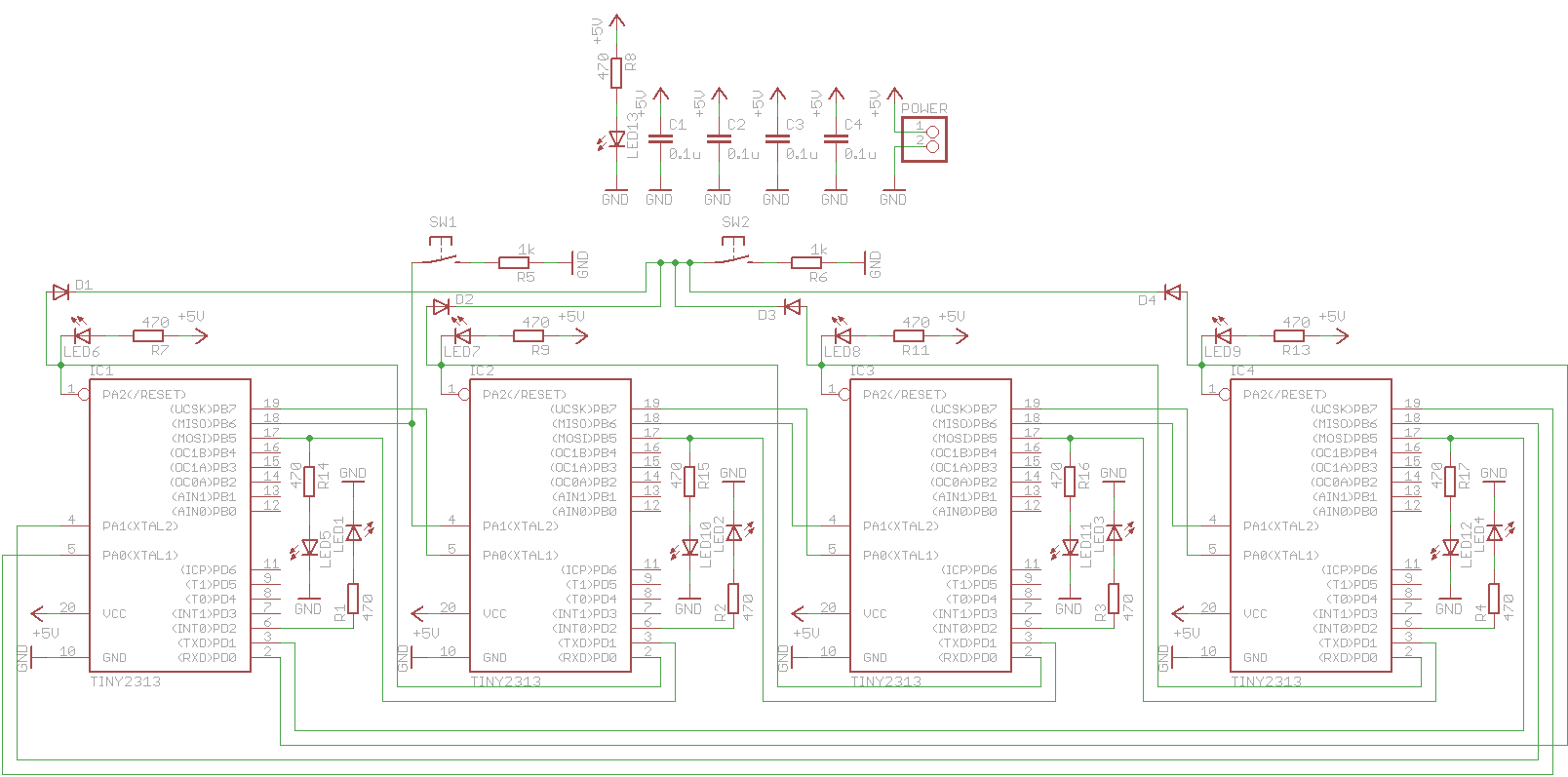
Quine Quartet



某サークルの新歓展示で展示した作品です.

概要
「Quine Quartet」は4つのマイコン(ATtiny2313)をもち,それぞれはメモリ書き込み用のSPIで環状に接続されています.
それぞれのマイコンには「自身と同じプログラムを隣のマイコンに書き込む」が書かれており,トリガー(最初の1つは基板の裏にあるスイッチで発生させる)が入力されるとそのプログラムを実行します.
書き込み後は書き込まれたマイコンに対してトリガーを送信するので,4つのマイコンが順番に書き込みを続けていきます.
RESETピン,MOSIピンと書き込み元のマイコンにLEDがついているので書き込みの様子はLEDで確認できます.

プログラム
プログラムは,マイコンの場合は自身のメモリを読むことが容易にできるので簡単にできるはずですが,Quine本来の「自身を読み込んではいけない」という規則に則って「実際に動作させるプログラム」と「書き込むためのプログラムのデータ」の両方を持っています.
プログラムは以下の手順で(C言語で)作成しました.
  1. プログラムが「セパレータ(0xFFFF)を1つだけ含むデータ」をプログラムメモリ内に持つと仮定する.
  2. 「データをセパレータで分割し,『前半を2回,セパレータ,後半を2回』の順番に接続されたマイコンに書き込む」プログラムを普通に書く.
  3. 2.をコンパイルし,バイナリデータを1.のデータに代入した後再度コンパイルする.
0xFFFFはAVRの命令としては存在しないはずなので使用しました.書きやすかったのでこういう方式をとったのですが,データの前半部分と後半部分の長さが分かっていればそちらのほうが安全です(プログラム中で「0xFFFF」のデータを使用できないので).
結果として,コンパイルされたデータには
プログラム(前半),プログラム(前半),セパレータ,プログラム(後半),プログラム(後半)
が順番に書かれています(このうち真ん中の3つはデータとして入っています).両端のプログラム部分が真ん中の3つを使って接続されているマイコンに書き込みます.
容量は1.6KBくらいでした.

基板
基板はElecrowの「2 Layer 5 * 5cm Max - 5/10pcs(Color Free)」で発注しました.基板本体は$9.90で配送量が$3.72,合計で$13.62(当時レートで1451円)でした.
5枚で注文したのですが10枚届きました.
注文したのは3月6日,届いたのは3月16日〜19日(定かでない)でした.
安いのに綺麗にできているのでいい感じです.
(というか残り9枚の使い道がないので欲しい人がいたらあげます)
回路図



ソースコード
(avr-gcc 4.6.2以外では動かない可能性大です)

quine_main.c

hexファイル
(上のをコンパイルしたものです.ATtiny2313の出荷時のヒューズビットで動作するようになっています)
quine_main.hex


拍手[0回]

LEDキュース



Maker Faire Tokyo 2013で展示した作品です.詳しくは動画をご覧ください.
「LEDキューブ」に対するジョークとして作ったのにもかかわらず殆ど気づいてもらえず……

拍手[1回]

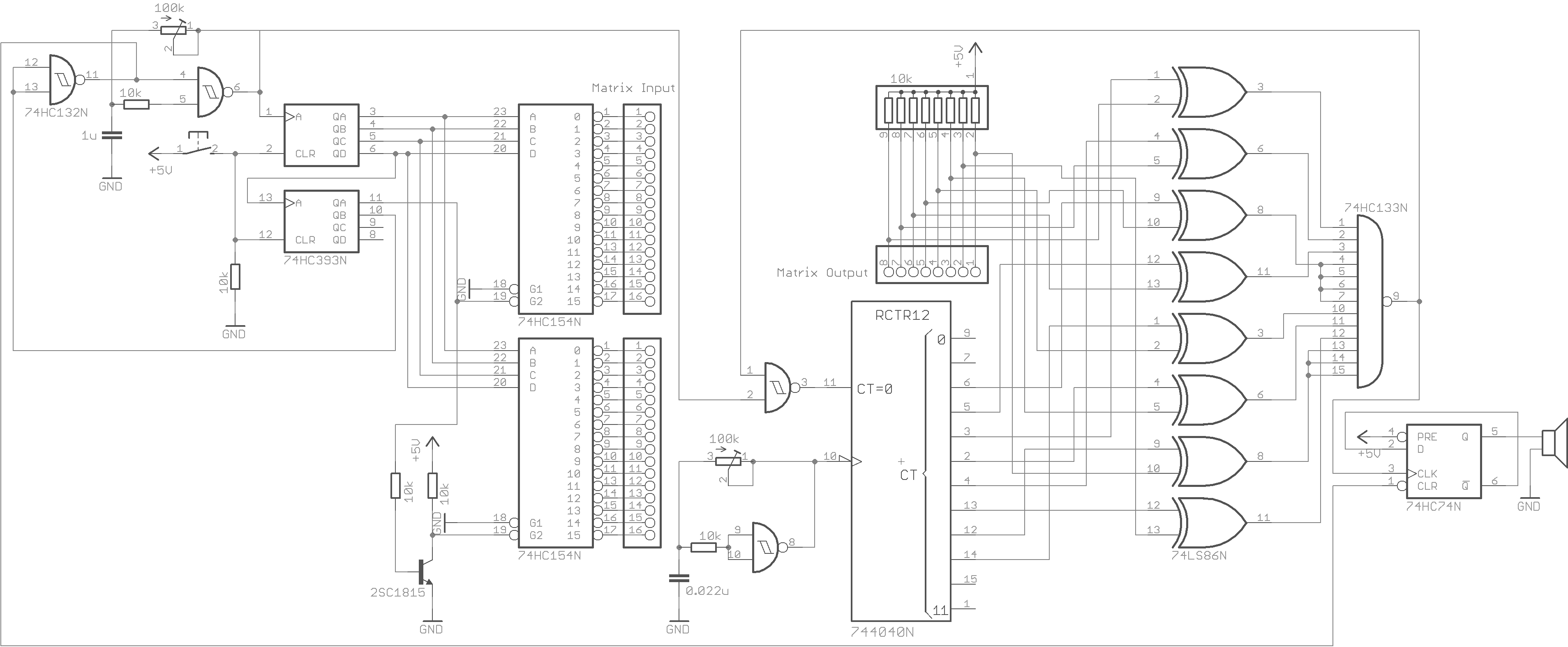
74ロジックICで電子オルゴール


某所で発表した、74ロジックICを使用した電子オルゴールです。もちろんマイコンは使用していません。


回路はメロディの情報を保存するダイオードマトリクス部とその他の2段で構成されています。

ダイオードマトリクスは某工大祭の公式キャラクターであるテックちゃんっぽくなっています。かわいい。

回路図
発表原稿

拍手[3回]

Clear